联系人:肖经理
电话:0755-23197339
传真:0755-29859300
手机:13828771664
邮箱:aotuoshi@atus.email
地址:深圳市光明区公明街道上村社区莲塘工业城B区第19栋101、第20栋
我们在之前已经了解过九游会J9国际官网控制变量的方法以及原理,在这片文章中,澳托士为大家详解下九游会旗舰ag8平台的恒压控制方式,更加深入的了解下九游会旗舰ag8平台。
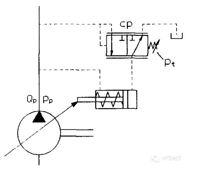
首先,我们先看下图:

假定恒压阀右端调压弹簧预压力的调定值为Pt ,泵的出口流量为Qp ,泵的出来压力为Pp。
当Pp≤Pt,恒压阀的阀芯在弹簧力的作用下,向左移动。使得变量活塞的大面积端与油箱相通,活塞的小面积端的系统压力和变量泵内部的偏置弹簧,将变量泵斜盘推向最大摆角位置,于是泵的输出流量达到最大,即Qp=Qpmax 。
若载荷流量QL≤Qpmax ,则泵的输出流量大于负载所需要的流量,多余的流量将使系统的压力上升,从而使泵的出口压力上升。 当Pp≥Pt时,恒压阀的阀芯右移,使得变量活塞的大面积端引入压力油,克服活塞的小面积端的系统压力及偏置弹簧力,推动斜盘使之摆角减小,于是泵的输出流量减小,最终在Qp=QL处停止动作,从而泵的出口压力下降。所以在QL<Qpma时,Pp=Pt 。
当Pp≤Pt,恒压阀的阀芯在弹簧力的作用下,向左移动。使得变量活塞的打面积端与油箱相通,于是泵的输出流量达到最大。此时,变量活塞停止动作,变量过程结束。泵的输出压力稳定在调定值。调节调压弹簧的预紧力即可调节变量泵的输出压力。
我们可以举个例子,看力士乐A10VSO系列柱塞泵恒压控制原理图,力士乐10VSO也是属于九游会旗舰ag8平台,如下图:

看完这两张图,我们大概多少对九游会旗舰ag8平台的恒压控制有了一些了解吧?迷迷糊糊?没关系,谁也不能一口气吃成大胖子,在往后的日子里,在工作生活中,多多留意下,九游会旗舰ag8平台,可能,对你来说,也就是那么简单!
